
rod-type switch-disconnectors are general purpose load switches for indoor use complying with standard DIN VDE 0670 Part 301, VDE 0670 Part 303 and IEC Publication 60265-1. They are ideally suited for safe and reliable switching of all loads occurring in practice, and particularly for switching transformers under load and no-load conditions, capacitor banks, cables, overhead lines, tee-off and ring lines under load and no-load. In the OFF position the XK4 switch-disconnector has a visible insulating gap, thus fulfilling the requirements for disconnectors in accordancewith VDE regulation 0670, Part 2. Due to an optimum contact design and an operating mechanism, which permits high switching speeds, high making currents are safely mastered. It's application in high-power systems is therefore possible, too. The XK4 switch-disconnector is capable of closing onto an existing short-circuit within the limits of its rated capacity with no risk to the operator or the equipment.
Technical Information
Technical Specification
Rated Voltage |
|
| kV | 12 | 17.5 | 24 | |
Rated insulation level |
| Rated Power Frequency Withstand Voltage | kV | 28/32 | 38/45 | 50/60 | |
Rated lighning Impulse Withstand Voltage | kV | 75/85 | 95/100 | 125/145 | |||
Rated Frequency |
|
| Hz | 50/60 | 50/60 | 50/60 | |
Rated Current |
|
| A | 400/630/1250 | 400/630 | 400/630 | |
|
| Swich-dis connector | kA | 63 | 50 | 40 | |
Rated short-circuit making current | Earthing switch | kA | 63 | 50 | 40 | ||
|
| Swich-dis connector | kA | 25 | 20 | 16 | |
Rated short-time current |
| Earthing switch | kA | 25 | 20 | 16 | |
Rated short circuit duration | S | 3 | 3 | 3 | |||
Rated load breaking current | A | 400/630/1250 | 400/630. | 400/630 | |||
Rated ring breaking current | A | 400/63/1250 | 400/630 | 400/630 | |||
Rated cable breaking current | A | 25 | 25 | 25 | |||
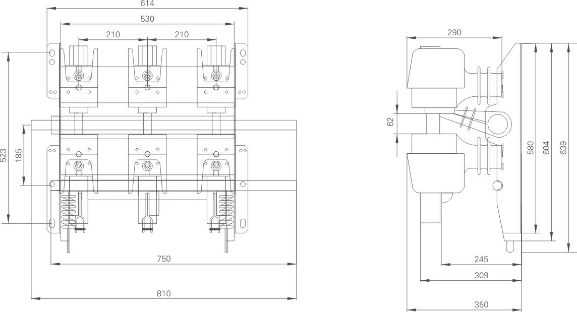
Overall and installation dimensions
Copyright ? Zhejiang Xikai Electric Co. , Ltd. 技術支持:鼎諾傳媒